Forrige
Neste

AC / DC spenningsmåler 0-264VAC, 0-370VDC med MODBUS RTU (RS485), +/-0,5 %, 24 bit, DIN

AC og DC spenningsmåler med ekte RMS
Oppløsning: 24 biter
0-264VAC 0-60Hz (3 faser)
L1, L2, L3, N
0-+/-370VDC
Inngangsimpedans større enn 2,4 Mohm
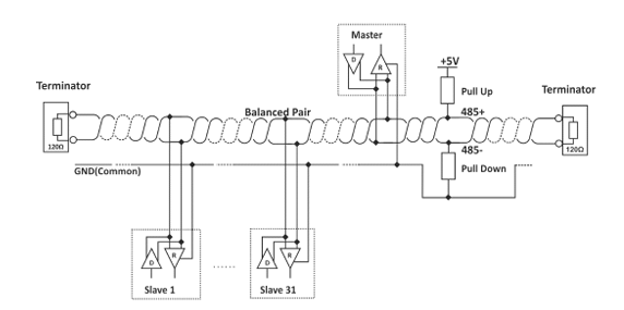
Modbus RTU (2-leder RS485)
Innebygd RS485-terminering (120 ohm)
Opptil 63 enheter per RS485-buss
LED for kommunikasjonsstatus
Responstid: mindre enn 50 mS
Temperatur: -20 - +60°C
Forsyningsspenning: 5 - 28VDC
Mål: 86 x 59 x 35 mm


2,417.46 NOK
Ekskl. mva
Antall
Varenummer TSV300
Få volumtilbud
close

Få Volumtilbud

 
file_download DOWNLOADS
Still et spørsmål
close

Stil et spørgsmål

 

 

Download PDF

AC spenningstransduser TSV300 er designet for nøyaktige målinger av sann RMS. Den passer sømløst inn i både 50 og 60 Hz strømnettet, noe som gjør den svært allsidig for ulike bruksområder. I tillegg kan transduseren effektivt brukes til likespenningsmåling og overvåking.
Med en 24-bits oppløsning og en nøyaktighet på over 0,5 %, sikrer TSV300 pålitelig og nøyaktig datainnsamling. Sikkerhet er avgjørende, noe som gjenspeiles i den robuste 1500Vrms arbeidsisolasjonsspenningen som garanterer sikker drift i ulike miljøer.
Høy inngangsmotstand på mer enn 2,4 MOhm minimerer interferens og forbedrer målenøyaktigheten. DIN-skinnemontering forenkler enkel integrering i ulike oppsett. Det brede forsyningsspenningsområdet (5 til 28VDC) gir fleksibilitet, og skruløse terminaler forenkler montering.
I tillegg til allsidigheten, støtter TSV300 MODBUS RTU-kommunikasjon, og leverer data i både 16-bits heltalls- og 32-bits flyttallformater. Denne kommunikasjonsevnen forbedrer kompatibiliteten med forskjellige systemer og datainnsamlingsoppsett. Spesielt adresserer svingeren et bredt vekselstrømspenningsområde, som dekker standardspenninger som finnes i forskjellige land.
Oppsummert står TSV300 som en omfattende løsning for nøyaktige og tilpasningsdyktige AC- eller DC-spenningsmålinger. Den banebrytende teknologien, kombinert med brukervennlige funksjoner, gjør den til et ideelt valg for ulike bruksområder.
Enten du prioriterer nøyaktighet, sikkerhet eller enkel integrering, leverer TSV300 på alle fronter, og gir pålitelige spenningsmålinger for dine spesifikke behov.